
現在市面上的導熱油種類繁多,型號各異,不同廠家生產的烷基苯導熱油也各具特點。安美導熱油溫馨提示您:在選擇烷基苯導熱油廠家時,應根據鍋爐設備的生產工藝要求、使用參數、環境以及價格等因素綜合考慮。好是能到相應的導熱油廠家參觀了解實力、規模等。焦化廠精苯生產傳統采用蒸汽作為熱源,所需蒸汽壓力必須在0.7MPa以上。如采用導熱油作為熱源,供熱穩定、安全、可靠,輕苯加工能力和三苯回收率會顯著提高。企業效益也會相應提高。
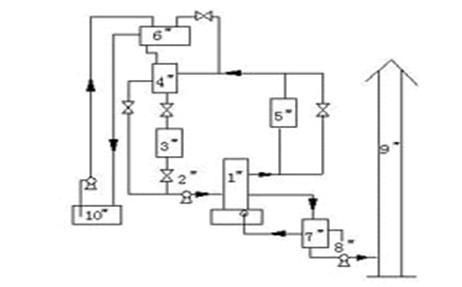
導熱油系統的工藝流程
焦化廠采用的導熱油爐可以高爐煤氣為燃料,以導熱油為熱載體,通過熱油泵強制循環,將熱量傳遞給各塔加熱設備。工藝流程如圖1所示。 熱載體導熱油用熱油泵2#送入導熱油爐1#,經導熱油爐加熱到220~240℃后,再送入蒸餾塔加熱器5#進行加熱,此時導熱油溫度降為200℃。導熱油再經4#氣液分離器、3#過濾器后,回到熱油泵進口,這樣就形成了加熱利用——再加熱再利用的閉路循環系統。10#貯油槽、6#膨脹槽的作用是及時補充循環系統中損失的導熱油。在導熱油爐內高爐煤氣燃燒后產生的廢氣,經7#高爐煤氣換熱后,降至250℃以下,用8#引風機經9#煙囪排出。高爐煤氣經換熱后由30℃升高到180℃。

圖 1 導熱油加熱工藝流程圖
1 導熱油爐 2 熱油泵 3 過濾器 4 汽液分離器 5 加熱用設備 6 膨脹槽 7 換熱器 8 引風機 9 煙囪 10 導熱油儲槽
現在市面上的導熱油種類繁多,型號各異,不同廠家生產的烷基苯導熱油也各具特點。安美導熱油溫馨提示您:在選擇烷基苯導熱油廠家時,應根據鍋爐設備的生產工藝要求、使用參數、環境以及價格等因素綜合考慮。好是能到相應的導熱油廠家參觀了解實力、規模等。
本文【精苯生產使用的導熱油鍋爐加熱方案】由中正導熱油鍋爐廠家整理發布,轉載請注明:http://www.laogejia.cn/news/77.html
燃氣鍋爐價格版權所有©導熱油鍋爐地址:江蘇省無錫市宜興周鐵鎮分水新達路76號 蘇ICP備11085805號-2